168ÌåÓý¹ÙÍø

Ê×Ò³
¹ØÓÚ168ÌåÓý¹ÙÍø
Éú²úÁ÷³Ì
²úƷչʾ
ÐÂÎÅÖÐÐÄ
È˲ÅÕÐÆ¸
ÁªÏµ168ÌåÓý¹ÙÍø
18118387157
|
245931791@qq.com
ËÑË÷
¹¤ÒÕ¾«Õ¿
×·Çó׿ԽÖÁÕé

רעÑо¿¿ª·¢Ìṩרҵ¸ÉÔïÉ豸

¸ÉÔïϵÁÐ
ÖÆÁ£ÏµÁÐ
»ìÏýϵÁÐ
ÆÆ»µÏµÁÐ
¸¨ÖúϵÁÐ
¹Ì·ÏרÓÃ

FLP ϵÁÐ¶à¹¦Ð§ÖÆÁ£°üÒ»ú

¸ÅÊö

FLP¶à¹¦Ð§ÖÆÁ£°üÒ»úÊǼ¯ÅçÎí¸ÉÔïÒ»ÖÆÁ£Ò»ÀëÐÄÖÆÍèÒ»Á÷»¯°üÒ¸ÉÔïÓÚÒ»ÌåµÄ¶à¹¦Ð§É豸¡£¸Ã»ú¼æÈݶàÖÖ¹¤ÒÕ²Ù×÷¡£ÌرðÊÊÓÃÓÚÒ½Ò©¡¢Ê³Æ·¡¢»¯¹¤µÈÐÐÒµ¶àÆ·ÖÖ¡¢¶à¼ÁÐÍÖÆÁ£¡¢ÖÆÍè¼°°üÒ¡£

Ô­Àí

¼¯ÖÆÁ£¡¢ÖÆÍè¡¢°üÒ¶àÖÖ¹¦Ð§ÓÚÒ»Ìå¡£

·ÛÌåÎïÁÏÖÆÁ£¡£

·ÛÌåÎïÁϰüÒ¡£

·ÛÌåÎïÁÏÖÆÍè¡£

ÖÐÒ©ÅçÎíÖÆÁ£¼°°üÒ¡£

ÖÆ±¸10-30Ä¿´ó¿ÅÁ£³å¼Á¡£

·ÛÌå¡¢¿ÅÁ£¡¢ÍèµÄ±¡¡¢³¦ÈÜ¡¢»º¿ØÊͰüÒ¡£

ÑÚζ¡¢·À³±¡¢·ÀÑõ»¯¡¢·ÀË®¡¢¸ôÈÈ¡¢×ÅÉ«¡¢¸ôÀë°üÒ¡£

·Û×´¡¢Á£×´¡¢ÍÅ×´ÎïÁϸÉÔï¡£

¼¼Êõ²ÎÊý

FLP ϵÁÐ¶à¹¦Ð§ÖÆÁ£°üÒ»ú²ÎÊý

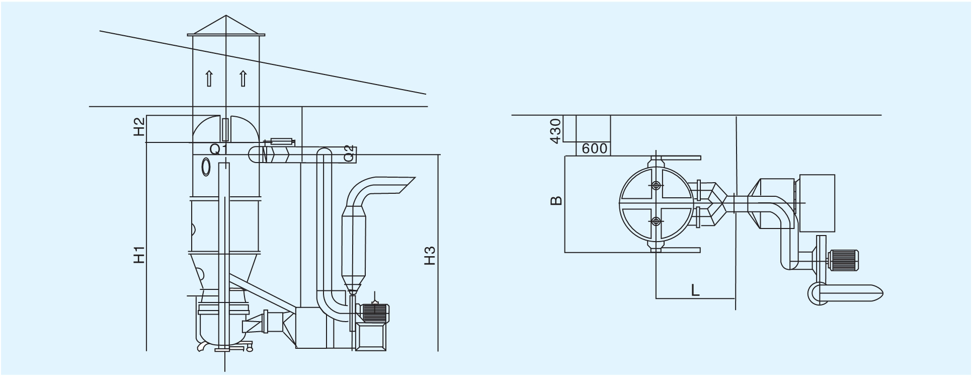
½á¹¹Ê¾Òâͼ

FLP ϵÁÐ¶à¹¦Ð§ÖÆÁ£°üÒ»ú¹¤ÒÕ
ÍøÕ¾µØÍ¼