168ÌåÓý¹ÙÍø

Ê×Ò³
¹ØÓÚ168ÌåÓý¹ÙÍø
Éú²úÁ÷³Ì
²úƷչʾ
ÐÂÎÅÖÐÐÄ
È˲ÅÕÐÆ¸
ÁªÏµ168ÌåÓý¹ÙÍø
18118387157
|
245931791@qq.com
ËÑË÷
¹¤ÒÕ¾«Õ¿
×·Çó׿ԽÖÁÕé

רעÑо¿¿ª·¢Ìṩרҵ¸ÉÔïÉ豸

¸ÉÔïϵÁÐ
ÖÆÁ£ÏµÁÐ
»ìÏýϵÁÐ
ÆÆ»µÏµÁÐ
¸¨ÖúϵÁÐ
¹Ì·ÏרÓÃ

EYH ϵÁÐÒ¡¹öʽ(¶þά)»ìÏý»ú

¼¼Êõ²ÎÊý

EYH ϵÁÐÒ¡¹öʽ(¶þά)»ìÏý»ú²ÎÊý

Ó¦ÓÃ

±¾»ú¹ã·ºÓÃÓÚÒ½Ò©£¬»¯¹¤£¬Ê³Æ·£¬È¾ÁÏ£¬ËÇÁÏ£¬»¯·Ê£¬Å©Ò©µÈÐÐÒµ¡£ÓÈÆäÊÊÓÃÓÚ´ó¶Öλ(1000L-20000L)ÖÖÖÖ¹ÌÏàÎïÁϵĻìÏý¡£

±¾»ú»ìÏý¼òÔÚת¶¯µÄͬʱÓÖ¼ÓÈë°Ú¶¯£¬Ê¹Í²ÖÐÎïÁϵÃÒÔ³ä·Ö»ìÏý£¬Ê¹¸Ã»ú¾ßÓлìÏýѸËÙ£¬»ìÏýÁ¿´ó£¬³öÁϱã½ÝµÈÌØµã¡£

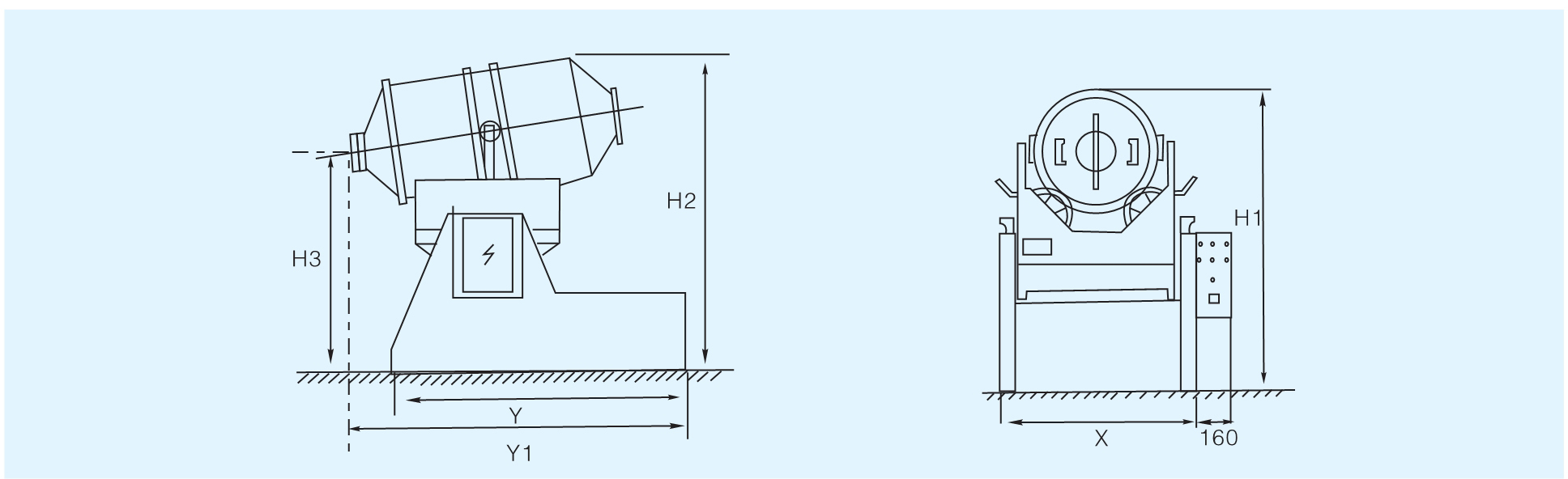
½á¹¹Ê¾Òâͼ

EYH ϵÁÐÒ¡¹öʽ(¶þά)»ìÏý»ú½á¹¹
ÍøÕ¾µØÍ¼